Подшипник ступицы NSK ZA-45BWD16CA103**
|
1 294 ₴
сегодня
|
- Производитель
- NSK
- Каталожный номер
- ZA-45BWD16CA103**
- Новый номер
- ZA-45BWD16
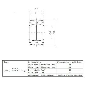
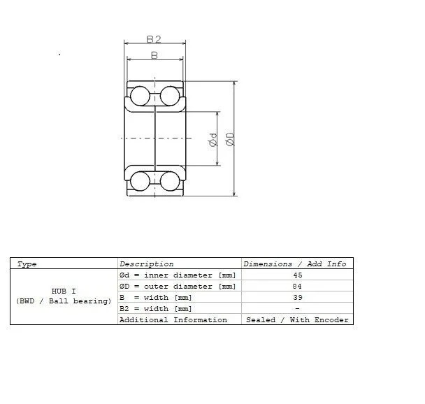
- Наружный диаметр [мм]
- 84
- Внутренний диаметр
- 45
- Ширина [мм]
- 39
- Сторона установки
- передний мост
- Дополнительный артикул / дополнительная информация 2
- с встроенным магнитным сенсорным кольцом
- Товарная группа:
- - Подвеска и Рулевое Подшипник ступицы
