Гальмівний диск пер. Sharan/California/Multivan/Transporter/Caravelle/Galaxy 96-10 CIFAM 800-792
|
2 028 ₴
завтра
|
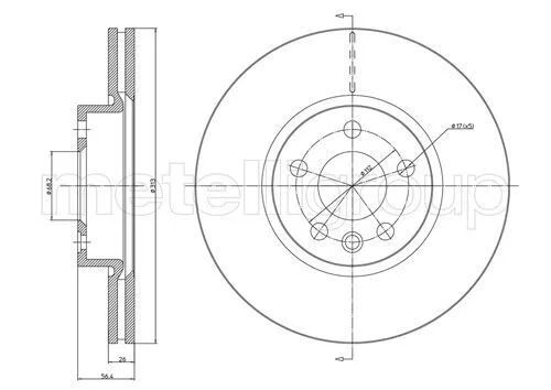
- Производитель
- CIFAM
- Каталожный номер
- 800-792
- Сторона установки
- Передние
- Ø фаски [мм]
- 68.2
- Количество отверстий
- 5
- Наружный диаметр [мм]
- 313.0
- Толщина тормозного диска (мм)
- 26.0
- Тип тормозного диска
- вентилируемый
- Высота [мм]
- 56.2
- Проверочное значение
- ECE-R90
- CIFAM 800-792 подходит к маркам/моделям авто:
- - Ford: Galaxy
- - Volkswagen: Sharan, Transporter
- Товарная группа:
- - Тормозная система Тормозные диски
